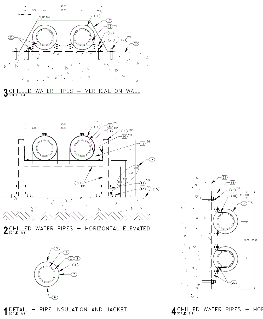
Chilled Water Pipe Supports on Wall, Roof and Ground.

This is an AutoCAD 2000 drawing that can be used to start a sheet of chilled water pipe support details.

085_Chilled_Water_Pipe_Supports_on_Wall_and_Roof.dwg







5/29/16

home